F
전동 Z축 TZA12010E-L2-P10

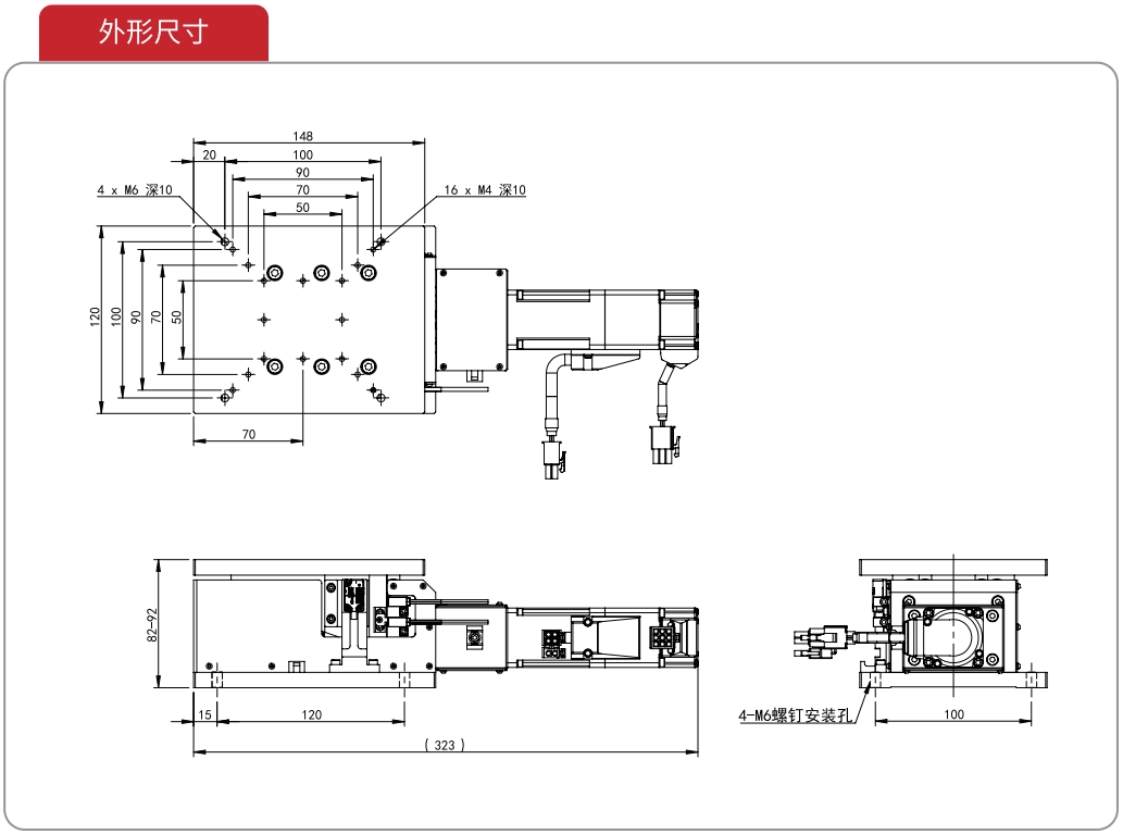
전기 Z축 고정밀 슬라이드 테이블 모듈 시리즈는 고정밀 장비 동작 정렬 및 처리 감지 요구 사항을 해결하기 위해 TOKK에서 개발 및 설계한 고정밀, 고안정성 및 고빈도 사용 가능한 전기 리프팅 슬라이드입니다. 제품의 주요 재료는 경질 알루미늄 합금으로 만들어졌으며 표면은 검정색 양극 산화 처리되어 광원에 대한 반사광의 영향을 효과적으로 방지합니다. 이 일련의 제품은 공간, 크기 및 무게에 대한 요구 사항이 높은 자동화 장비 및 정밀 기기 및 장비에 통합하는 데 매우 적합하며 동작 범위가 작고 왕복 주파수가 높은 산업 생산 라인에 사용하기에 더 적합합니다.

제품사양


온라인 문의
TIOKAI 로봇(쑤저우) 유한공사에 오신 것을 환영합니다. 당사 제품에 대한 귀하의 요구사항을 아래에 상세하게 기입해 주시면 최대한 빨리 연락 드리도록 하겠습니다.
  • 제품명*

  • 성명*

  • 전화번호*

  • 팩스 번호

  • 이메일주소*

  • 회사명*

  • 요청 내용*