F
전동 X축 스테인리스강 TXS 시리즈

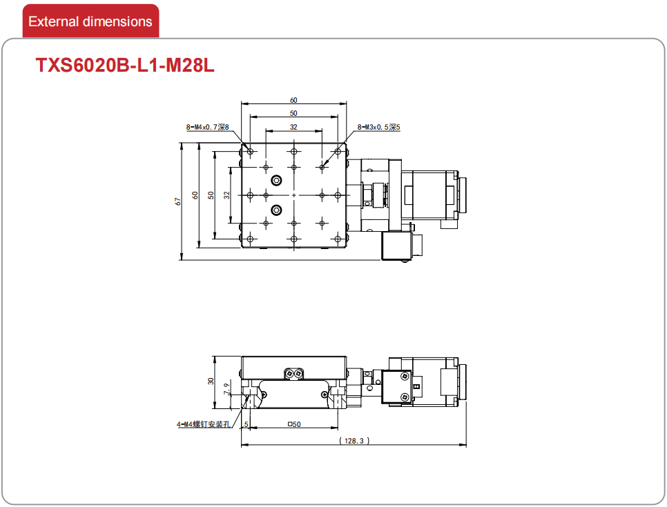
전기 스테인레스 스틸 슬라이드 시리즈는 작은 공간과 높은 사용 빈도의 문제를 해결하기 위해 TOKK에서 특별히 설계한 고정밀 전기 변위 슬라이드입니다. 제품 본체의 재질은 스테인레스 스틸로 만들어졌으며 표면은 강력한 방청 성능을 가진 전해 화학 니켈로 처리되지 않았습니다. 변속기 부품은 고정밀 볼 스크류, 고딕 아크 홈 가이드 및 총 4개의 접점이 있는 이중 아크 홈을 채택하여 견고한 슬라이드 구조를 형성하여 위치 정확도와 수명이 높고 고속 정방향 및 역방향 변속기의 특성을 가지고 있습니다. 이 일련의 제품은 공간, 크기 및 무게에 대한 요구 사항이 높은 자동화 장비 및 정밀 기기 및 장비에 통합하는 데 매우 적합하며 동작 범위가 작고 왕복 주파수가 높은 산업 생산 라인에 사용하기에 더 적합합니다

제품사양


온라인 문의
TIOKAI 로봇(쑤저우) 유한공사에 오신 것을 환영합니다. 당사 제품에 대한 귀하의 요구사항을 아래에 상세하게 기입해 주시면 최대한 빨리 연락 드리도록 하겠습니다.
  • 제품명*

  • 성명*

  • 전화번호*

  • 팩스 번호

  • 이메일주소*

  • 회사명*

  • 요청 내용*