F
전동 회전 θ축 TRA 시리즈

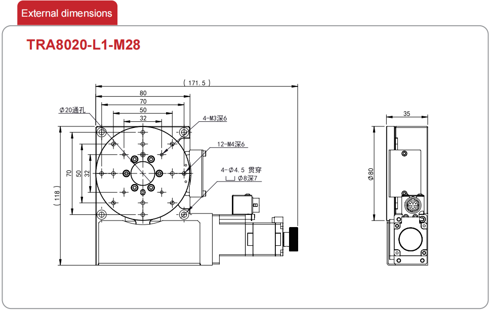
전기 세타 축 알루미늄 합금 슬라이드 시리즈는 작은 공간과 높은 사용 빈도 문제를 해결하기 위해 TOKK에서 특별히 설계한 작은 각도의 전기 회전 슬라이드입니다. 제품 본체의 재질은 경질 알루미늄 합금으로 만들어졌으며 표면은 검은색 양극 산화 처리되어 반사광이 광원에 미치는 영향을 효과적으로 방지합니다. 변속기 부품은 고정밀 볼 스크류와 교차 롤러 칼라에 의해 회전하며 내마모성이 우수하고 강도가 높으며 하중 용량이 강합니다. 이 일련의 제품은 공간, 크기 및 무게에 대한 요구 사항이 높은 자동화 장비 및 정밀 기기 및 장비에 통합하는 데 매우 적합하며 동작 범위가 작고 왕복 주파수가 높은 산업 생산 라인에 사용하기에 더 적합합니다.

제품사양


온라인 문의
TIOKAI 로봇(쑤저우) 유한공사에 오신 것을 환영합니다. 당사 제품에 대한 귀하의 요구사항을 아래에 상세하게 기입해 주시면 최대한 빨리 연락 드리도록 하겠습니다.
  • 제품명*

  • 성명*

  • 전화번호*

  • 팩스 번호

  • 이메일주소*

  • 회사명*

  • 요청 내용*