F
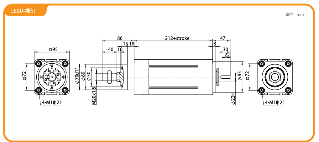
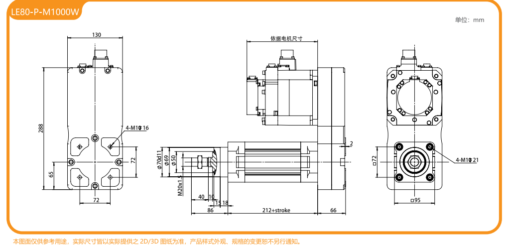
LE80

电动缸是将伺服电机与丝杆一体化设计的模块化产品,将伺服电机的旋转运动转换成直线运动,同时将伺服电机*佳优点-精确转速控制,精确转数控制,精确扭矩控制转变成-精确速度控制,精确位置控制,精确推力控制;实现高精度直线运动系列的全新革命性产品。

제품사양


자료 다운로드
온라인 문의
TIOKAI 로봇(쑤저우) 유한공사에 오신 것을 환영합니다. 당사 제품에 대한 귀하의 요구사항을 아래에 상세하게 기입해 주시면 최대한 빨리 연락 드리도록 하겠습니다.
  • 제품명*

  • 성명*

  • 전화번호*

  • 팩스 번호

  • 이메일주소*

  • 회사명*

  • 요청 내용*