F
단일 축 정밀 리니어 플랫폼

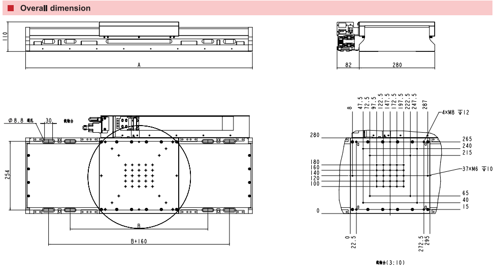
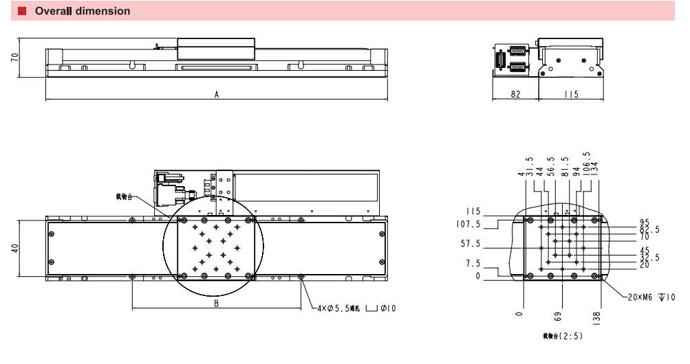
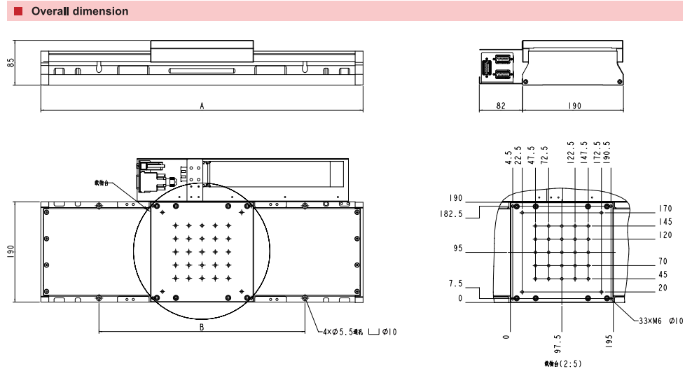
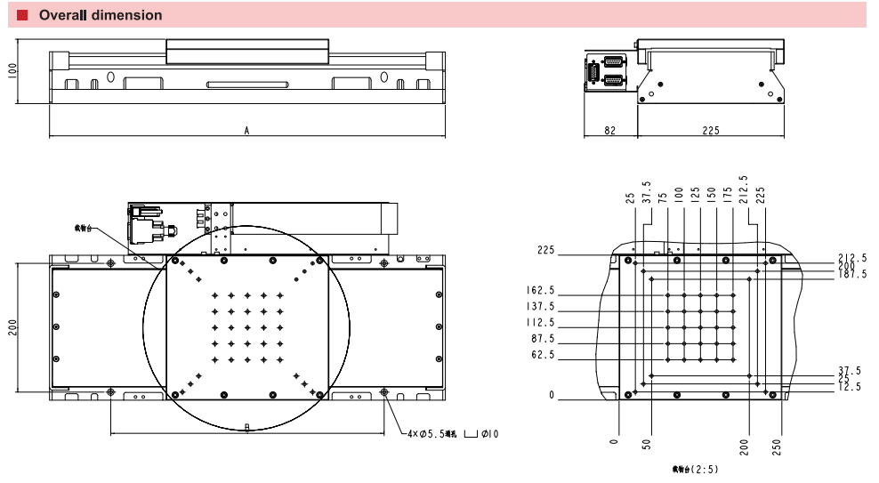
다이렉트 드라이브 모터 고정밀 포지셔닝 플랫폼, 고성능 저비용 솔루션, 고강성 기계 구조, 유연한 구성 옵션(다양한 스트로크 및 너비 포함), 최대 1000mm의 스트로크, 우수한 케이블 관리. 리니어 모터로 구동되어 고속, 우수한 동적 성능, 낮은 마찰 및 정밀한 위치 제어가 용이하여 큰 스트로크, 고정밀 및 고속 응용 분야에 이상적입니다. OLED 절단, PCB 드릴링, CNC 가공, 생명 공학, IC 패키징, 웨이퍼 검사 및 기타 응용 시나리오에 적합합니다.

제품사양


자료 다운로드
온라인 문의
TIOKAI 로봇(쑤저우) 유한공사에 오신 것을 환영합니다. 당사 제품에 대한 귀하의 요구사항을 아래에 상세하게 기입해 주시면 최대한 빨리 연락 드리도록 하겠습니다.
  • 제품명*

  • 성명*

  • 전화번호*

  • 팩스 번호

  • 이메일주소*

  • 회사명*

  • 요청 내용*