TOKK로봇(소주)유한공사
TOKK Robot (Suzhou) Co, Ltd.
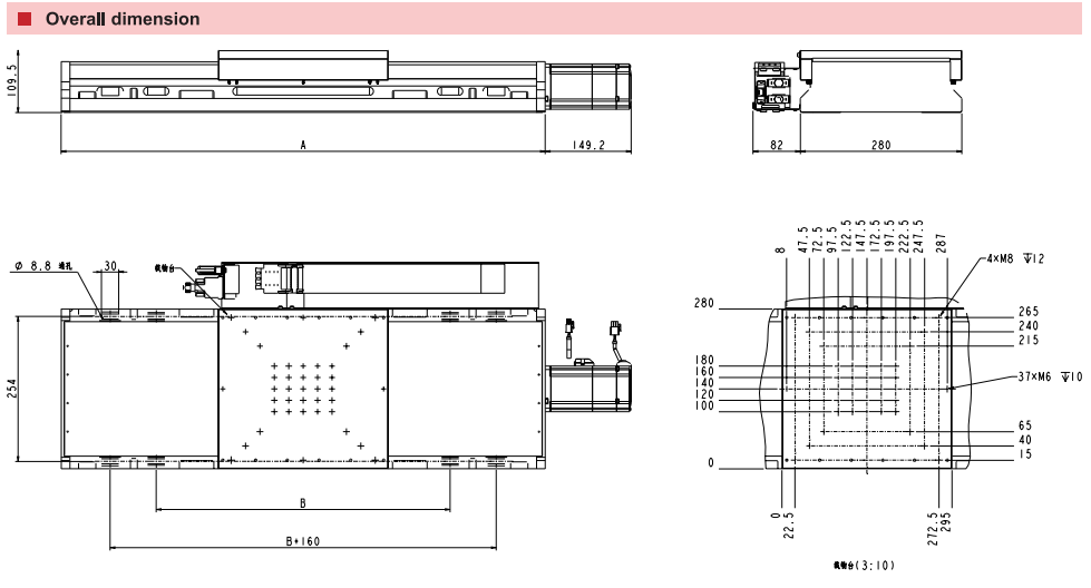
서보 볼 스크류 드라이브, 고성능 저비용 솔루션, 고강성 기계 구조, 유연한 구성 옵션, 래스터 스케일 및 로터리 인코더 피드백 옵션, 전원 끄기 잠금 자동 잠금 기능. AC 브러시리스 서보 모터와 리드 스크류로 구동되며 최대 속도는 300mm/s에 도달할 수 있으며 PS 시리즈는 선형 축의 수평 배치를 충족할 수 있으며 전원 끄기 자동 잠금 잠금 브레이크 구성을 선택하면 PS 시리즈는 Z축 플랫폼으로 사용할 수 있으며 PM 시리즈와 함께 사용할 수 있습니다. OLED 절단/PCB 드릴링/CNC 가공/생명공학/IC 패키징/웨이퍼 검사 및 기타 산업에 적합합니다.















