F
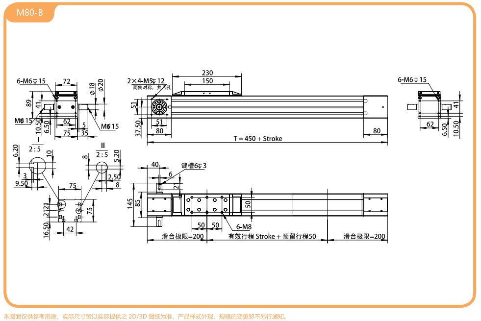
M80

벨트 시리즈 선형 모듈의 적용 범위는 생산 라인 공작물 교환 장치, 번들 필름 절단 장치, CNC 가공 기계 취급 장치 및 기타 목적입니다. 응용 산업에는 TFT-LCD LCD 패널 장비, 태양 에너지 장비, 식품 장비, 포장 장비 및 CNC 가공 장비가 포함됩니다.

제품사양


자료 다운로드
온라인 문의
TIOKAI 로봇(쑤저우) 유한공사에 오신 것을 환영합니다. 당사 제품에 대한 귀하의 요구사항을 아래에 상세하게 기입해 주시면 최대한 빨리 연락 드리도록 하겠습니다.
  • 제품명*

  • 성명*

  • 전화번호*

  • 팩스 번호

  • 이메일주소*

  • 회사명*

  • 요청 내용*