F
TICG70 코어 리니어모터 TICG 시리즈

TOKK 리니어 모터 모듈은 고정밀, 빠른 속도, 안정적인 작동, 간단한 구조, 높은 수준의 통합, 표준화 및 높은 가성비로 다양한 산업 분야에서 광범위하게 사용되고 있으며, 우수한 품질과 성능으로 업계의 높은 평가를 받고 있습니다.간단한 핸들링 및 운반에서 정밀 측정 및 정밀 가공작업에 이르기까지 TOKK 리니어 모터 기술은 다양한 가공 공정 및 작업 조건에 적용될 수 있습니다. 동시에 유연한 조합, 높은 안정성, 높은 가성비 및 기타 특성으로 맞춤화하여 고객의 다양한 애플리케이션 요구를 충족합니다.

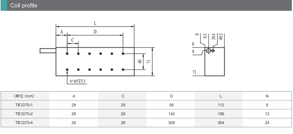
제품사양


자료 다운로드
온라인 문의
TIOKAI 로봇(쑤저우) 유한공사에 오신 것을 환영합니다. 당사 제품에 대한 귀하의 요구사항을 아래에 상세하게 기입해 주시면 최대한 빨리 연락 드리도록 하겠습니다.
  • 제품명*

  • 성명*

  • 전화번호*

  • 팩스 번호

  • 이메일주소*

  • 회사명*

  • 요청 내용*